Trong ngành công nghiệp vận tải xăng dầu, an toàn là ưu tiên hàng đầu. Mặc dù các quy trình được tuân thủ nghiêm ngặt, rủi ro về cháy nổ và sự cố vẫn luôn tiềm ẩn. Van xả đáy, hay còn gọi là van đóng khẩn cấp, chính là một giải pháp then chốt giúp giảm thiểu tối đa những rủi ro này. Với cam kết "Bền bỉ đáng tin cậy", các sản phẩm van xả đáy của công ty DNA mang đến sự an tâm tuyệt đối cho mọi chuyến đi.

Vai trò quan trọng của Van Xả Đáy
Van xả đáy đóng vai trò như một cơ chế phòng vệ tự động, giúp giảm thiểu thiệt hại một cách hiệu quả. Vai trò của nó có thể được phân tích sâu hơn ở ba khía cạnh chính:
- Đảm bảo an toàn tối đa cho người và tài sản: Đây là chức năng quan trọng nhất của van xả đáy. Hệ thống sử dụng khí nén để đóng khẩn cấp khi xảy ra sự cố (như chảy tràn, vỡ ống, hoặc cháy). Van giúp cách ly hoàn toàn xăng dầu trong bồn khỏi nguồn cháy, đảm bảo an toàn cho người và tài sản. Đối với các sự cố không may bắt lửa, van có khả năng tự động đóng lại, ngăn chặn thảm họa.
- Cải thiện hiệu quả và an toàn trong vận hành: Van xả đáy được lắp đặt để thay thế cho các loại van đóng mở bằng tay trên nóc xi téc. Trước đây, việc phải trèo lên nóc bồn để vặn van đáy (lúp-pê) vừa mất thời gian, vừa rất nguy hiểm. Với van xả đáy, các thao tác được thực hiện nhanh chóng, an toàn và tiện lợi hơn nhiều.
- Nâng cao tuổi thọ và độ tin cậy của hệ thống: Với vật liệu chế tạo từ hợp kim nhôm, van xả đáy của DNA có khả năng chống ăn mòn hiệu quả. Các chi tiết bằng thép và inox chất lượng cao giúp van chịu được áp lực cao và kéo dài tuổi thọ.
Phân loại và cấu tạo của Van Xả Đáy DNA

Các loại van xả đáy
Theo cơ chế hoạt động, van xả đáy được chia làm hai loại chính:
- Van đóng mở bằng cơ: Đây là loại van truyền thống, vận hành hoàn toàn bằng sức người. Van được điều khiển bằng tay quay hoặc cần gạt.

Ảnh minh họa
- Van đóng mở bằng khí nén: Đây là loại van hiện đại và an toàn hơn, sử dụng áp lực khí nén để điều khiển đóng/mở van. Hệ thống này bao gồm van 2 ngã và van 3 ngã.
Về cấu tạo, thân van được làm từ hợp kim nhôm, các chi tiết khác sử dụng thép và inox. Van có áp suất danh nghĩa là 6 bar (0.6 Mpa) và có thể hoạt động trong phạm vi nhiệt độ từ -20°C đến +70°C.


Hướng dẫn lắp đặt và nguyên lý vận hành

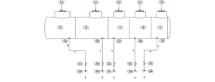
- Lắp đặt: Van xả đáy được lắp đặt dưới khoang bồn với đầu ra là đường ống xuất xăng dầu nối ra van xuất. Bu lông bắt chặt van với rốn bồn được hàn kín vào bồn để đảm bảo độ kín và an toàn tối đa.

- Phụ kiện lắp ráp: Các phụ kiện quan trọng bao gồm gioăng mặt bích, gioăng lắp rốn bồn, nút nhấn khí nén và dây hơi khí nén.

- Nguyên lý vận hành: Hệ thống van xả đáy sử dụng khí nén được trích từ bình khí của xe nền để hoạt động. Van đóng mở hoàn toàn tự động hoặc được điều khiển bằng tay. Khi van mở, cần ty van được đẩy lên, bích chặn van mở ra, cho phép nhiên liệu chảy ra ngoài. Khi có sự cố, hệ thống sẽ tự động đóng van để ngắt dòng nhiên liệu. Đặc biệt, nếu xảy ra hỏa hoạn, dưới tác dụng nhiệt của ngọn lửa, ống nhựa dẫn khí có thể bị chảy ra, lập tức các van sẽ tự động đóng lại. Công tắc khẩn cấp bố trí gần họng xả và phía sau bồn, đảm bảo thao tác đóng ngắt van thuận tiện và nhanh chóng khi xảy ra sự cố hoặc hỏa hoạn.

Nhập xăng vào xi téc

- Kiểm tra tất cả các van: mở van xả đáy, đóng kín van xuất.
- Kết nối hệ thống ống thu hồi hơi
- Dùng ống nối mềm nối từ đầu nối (04) của từng khoang đến đầu nối ra của bơm (06).
- Mở van xuất (03).
- Kiểm tra đường ống nối từ đầu vào bơm (05) đến các thiết bị chứa.
- Nổ động cơ xe, cài truyền động bơm để xuất hàng.
- Đóng hệ thống ống thu hồi hơi.
- Đóng nắp và kẹp chì niêm phong
Hư hỏng thường gặp và cách xử lý
Để đảm bảo van xả đáy DNA luôn hoạt động hiệu quả, việc kiểm tra và bảo dưỡng định kỳ là rất cần thiết. Một số hư hỏng thường gặp và cách xử lý bao gồm:
- Hư hỏng dây hơi khí nén: Dây hơi khí nén dễ dàng bị hỏng khi sử dụng do tính năng an toàn của hệ thống. Cần phải mang theo dây hơi dự phòng để thay thế.
- Lão hóa gioăng làm kín: Sau một thời gian sử dụng, các gioăng làm kín có thể bị lão hóa và mất chức năng. Cần kiểm tra và thay thế định kỳ khi cần thiết.
- Hư hỏng nút nhấn hơi: Nút nhấn hơi có thể bị hư hỏng cần do quá trình sử dụng và cần được thay thế.
Lưu ý quan trọng: Vì van xả đáy là bộ phận an toàn, cần được kiểm tra thường xuyên và thay thế khi cần thiết. Tuyệt đối tránh đấu nối trực tiếp hoặc sửa chữa không đạt yêu cầu, vì điều này có thể gây mất an toàn nghiêm trọng.
Với những tính năng ưu việt về an toàn, hiệu quả và độ bền, van xả đáy của công ty DNA là sự lựa chọn hàng đầu cho các doanh nghiệp vận tải xăng dầu. Hãy liên hệ ngay với chúng tôi để được tư vấn và sở hữu giải pháp an toàn tối ưu cho đội xe của bạn, cùng cam kết "Bền bỉ đáng tin cậy".